F605zz 5x14x5 hli - HXHV Tej yam me me Flanged Pob Bearing
| Hom | HXHV |
| Hom | Flanged sib sib zog nqus groove pob bearing |
| Tus Qauv Tooj | F605zz |
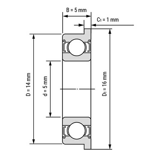
| Qhov Rooj Taub Hau (d) | 5 hli |
| Sab Nraud Txoj Kab uas hla (D) | 14 hli |
| Dav (B) | 5 hli |
| Qhov Dav ntawm Flange (C1) | 1 hli |
| Flange Txoj Kab uas hla (D1) | 16 hli |
| Qhov hnyav | 0.004 kg |
| Hom foob | Kaw los ntawm hlau rau ob sab |
| Khoom siv | Hlau chrome (GCr15) |
| Cov Khoom Siv Xaiv Tau | Cov hlau carbon, cov hlau tsis xeb |
| Kev Ntsuas Qhov Tseeb | P0 |
| Qhov chaw keeb kwm | Wuxi, Jiangsu, Suav teb |
F605-z, F605-zz, F605-2z, F605z, F605zz, F605 2z, SSF605-z, SSF605-zz, SSF605-2z, SSF605z, SSF605zz, SSF605 2z, SF605-z, SF605-zz, SF605-2z, SF605z, SF605zz, SF605 2z
Yuav kom xa koj tus nqi tsim nyog sai li sai tau, peb yuav tsum paub koj cov kev xav tau yooj yim raws li hauv qab no.
Bearing tus qauv lej / ntau npaum li cas / cov khoom siv thiab lwm yam kev xav tau tshwj xeeb ntawm kev ntim khoom.
Cov khoom siv: 608zz / 5000 daim / chrome hlau
Sau koj cov lus ntawm no thiab xa tuaj rau peb







