HXHV mesamo block beering UCF204
Thepa ea Bolulo: Tšepe ea tšepe
Lintho tse Bearing: GCr15 (Chrome steel)
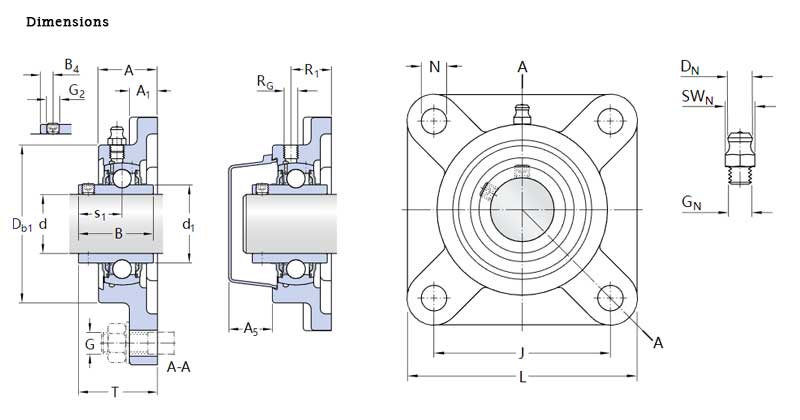
| Litekanyo | |
| d | 20 limilimithara |
| d1(≈) | 28.7 limilimithara |
| A | 25.5 limilimithara |
| A1 | 11 limilimithara |
| A5 | 20.5 limilimithara |
| B | 31 limilimithara |
| B4 | 5 limilimithara |
| Db1 | 60 limilimithara |
| J | 64 limilimithara |
| L | 86 limilimithara |
| N | 12 limilimithara |
| s1 | 18.3 limilimithara |
| T | 33.2 limilimithara |
| Ho kenya mafura | |
| DN | 6.6 limilimithara |
| SWN | 7.94 limilimithara |
| GN | 1/4-28 UNF |
| Sekoti se khoele | |
| RG | 1/4-28 UNF |
| R1 | 17 limilimithara |
| Lintlha tsa lipalo | |
| Lintlha tsa motheo tsa dynamic load (C) | 12.7 kN |
| Lintlha tsa motheo tse sa fetoheng (C0) | 6.7 kN |
| Moeli oa mokhathala (Pu) | 0.285 kN |
| Lebelo le lekanyang | 6500 r/min |
| e nang le mamello ea shaft h6 | |
| Boima ba 'mele | 0.3 lik'hilograma |
| Ho kenya lintlha | |
| Thread grub screw(G2) | M6x1 |
| Boholo ba senotlolo sa hexagonal sa grub screw(N) | 3.05 limilimithara |
| Torque e tiisitsoeng e khothalelitsoeng bakeng sa grub screw | 4 N·m |
| Bophara bo khothalelitsoeng bakeng sa liboutu tsa sehokelo, mm(G) | 10 limilimithara |
| Bophara bo khothalelitsoeng bakeng sa liboutu tsa sehokelo, inch(G) | 0.375 ho |
| Lihlahisoa tse kenyelelitsoeng | |
| Matlo | F 204 |
| Bearing | UC 204 |
Ho o romella theko e loketseng kapele, re tlameha ho tseba litlhoko tsa hau tsa mantlha joalo ka ha tlase.
Nomoro ea Bearing / bongata / thepa le tlhokahalo efe kapa efe e khethehileng ea ho paka.
Sucs e le: 608zz / 5000 likotoana / thepa ea tšepe ea chrome
Ngola molaetsa wa hao mona mme o re romele wona













